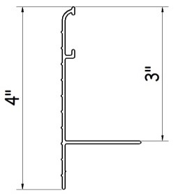
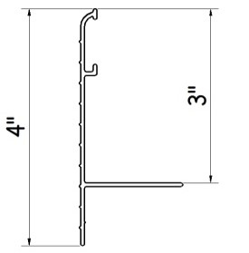
8' White F/G Coping-128' Kit

Code: VCTNWKIT

Each (1)
To top