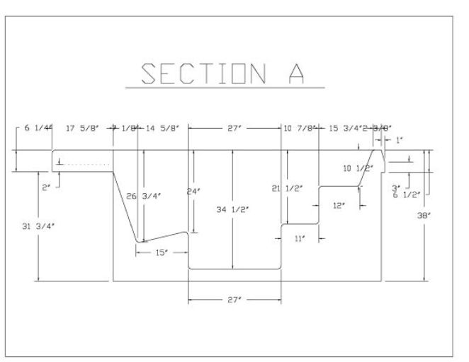
Spillover Open Seating Tuscan Sun

Code: 9521113

Each (1)
To top