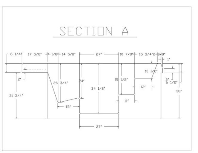
Spillover Open Seating Ocean Wave

Code: 9521240

Each (1)
To top