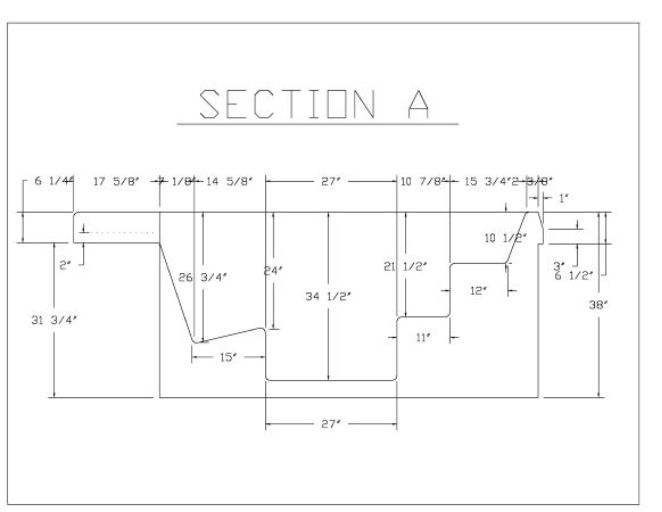
Spillover w/ Lounger Tuscan Sun

Code: 9522213

Each (1)
To top