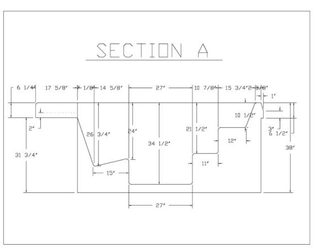
Spillover w/ Lounger Ocean Wave

Code: 9522240

Each (1)
To top